Recommended Products
咨詢熱線:
0519-82518168
電話:18922852877
郵箱:jacky@xbwsemi.com
QQ:523062883
地址:江蘇省常州市金壇區儒林開發區長豐路18號
MBR10L100CT的核心結構是由正極和負極構成的反向擊穿區域。在該區域,電子被加速并形成一個電場,最終導致電子從區域邊緣獲得足夠的動能,穿過勢壘并形成電流。MBR10L100CT的特點之一就是它的正向壓降較低,這使得它在高電流應用中非常有用。

一、肖特基二極管MBR10L100CT規格參數
產品品牌:新邦微XBW
產品類型:肖特基二極管
產品型號:MBR10L100CT
產品描述:10A 100V
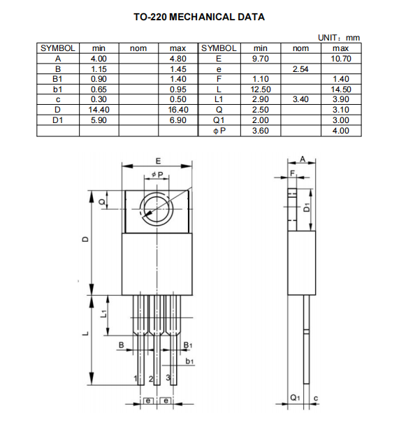
產品封裝:TO-220
反向耐壓(Vrrm):100V
反向電壓(Vr) :100V
正向壓降(Vf) :0.83V
正向電流IF(A) :10A
正向浪涌電流(Ifsm):100A
工作結溫 :150℃
儲存溫度范圍 :-55℃~+150℃
二、肖特基二極管MBR10L100CT規格書



三、肖特基二極管MBR10L100CT主要應用
肖特基二極管MBR10L100CT被廣泛應用于開關電源、變頻器、驅動器等電路,作高頻、低壓、大電流整流二極管、續流二極管、保護二極管使用,或在微波通信等電路中作整流二極管、小信號檢波二極管使用。
在電源供應中,MBR10L100CT被用于整流,以將交流電轉換為直流電。它還被用于電池管理,以確保電池的充電和放電效率。其應用領域還涵蓋了太陽能逆變器,這是一種將太陽能變成實用電能的裝置。
MBR10L100CT也是車載電子的重要組成部分。它被用于驅動汽車電子設備,比如喇叭、燈光和電動窗戶等。此外,它也非常適合一些高頻電路,比如射頻放大器和無線電收發器。
MBR10L100CT不僅具有很高的可靠性和性能優勢,而且還是一種經濟實惠的選擇。因此,它已被廣泛應用于電子行業中的各種場景。很多制造商都生產MBR10L100CT,并將其作為核心產品之一。
總之,肖特基二極管MBR10L100CT是一種功能強大、應用廣泛的電子元器件。它不僅具有很高的可靠性和性能優勢,而且使用成本較低。它的使用范圍涵蓋了電源供應、電池管理、太陽能逆變器、車載電子和一些高頻電路等各種場景,是電子行業中不可或缺的一部分。